Vis de fixation de balustrade avec filetage à droite M5
MATÉRIEL :
Acier inoxydable résistant aux acides : AISI 316 - A4/V4, qualité d'acier 1.4401
UTILISATION PRÉVUE :
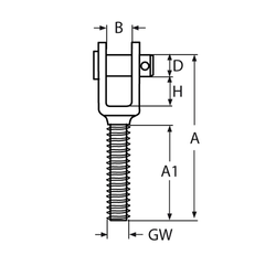
Vis avec filetage M5 droite se terminant par une manille (fourche) munie d'une goupille et d'une cheville.
DONNÉES TECHNIQUES :
| GWINT | A | A1 | H | B | D |
| [mm] | [mm] | [mm] | [mm] | [mm] | [mm] |
| M5 | 40 | 20 | 10 | 8 | 5 |
| M6 | 47 | 25 | 10 | 8 | 6 |
| M8 | 52 | 25 | 12 | 10 | 8 |
| M10 | 72 | 45 | 14 | 12 | 10 |
Ressources sur la sécurité et les produits
--------------------------------------------------------------------------------------------------------------------------
Informations sur le fabricant
Les informations de fabrication comprennent l'adresse et les informations connexes du fabricant du produit.
DQ-PP Sp. z o. o.
Jana Długosza 43
Police, PL, 72-010
info@dq-pp.pl
--------------------------------------------------------------------------------------------------------------------------
Personne responsable dans l’UE
Opérateur économique basé dans l'UE qui veille à ce que le produit soit conforme aux réglementations applicables.
DQ-PP Sp. z o. o.
Dorfstraße 44
Nadrensee, Mecklenburg-Vorpommern, DE, 17329
+4939746599801
info@dq-pp.de






