Raccord de douille pour cuivre serti 12mm
Produkty subskrypcyjne w twoim koszyku
Ustaw jedną częstotliwość dostaw dla wszystkich produktów subskrypcyjnych z twojego koszyka co:
Produkty subskrypcyjne w twoim koszyku
Ressources sur la sécurité et les produits
--------------------------------------------------------------------------------------------------------------------------
Informations sur le fabricant
Les informations de fabrication comprennent l'adresse et les informations connexes du fabricant du produit.
DQ-PP Sp. z o. o.
Jana Długosza 43
Police, PL, 72-010
info@dq-pp.pl
--------------------------------------------------------------------------------------------------------------------------
Personne responsable dans l’UE
Opérateur économique basé dans l'UE qui veille à ce que le produit soit conforme aux réglementations applicables.
DQ-PP Sp. z o. o.
Dorfstraße 44
Nadrensee, Mecklenburg-Vorpommern, DE, 17329
+4939746599801
info@dq-pp.de
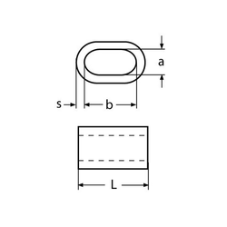
MATÉRIAU:
Cuivre
UTILISATION PRÉVUE :
Les raccords en cuivre, également connus sous le nom de pinces en cuivre ou de douilles en cuivre, servent à serrer les câbles et sont utilisés dans la fabrication d'élingues en corde.
Ils sont également utilisés dans l'industrie mécanique, l'industrie de la construction, etc. selon la destination.
En cuivre, disponible en fonction du diamètre du câble.
DONNÉES TECHNIQUES :
| TAILLE | a | b | s | l |
| [mm] | [mm] | [mm] | [mm] | [mm] |
| 1 | 1,70 | 3,40 | 0,75 | 6,0 |
| 1,5 | 2,40 | 4,80 | 0,85 | 7,0 |
| 2 | 2,70 | 5,40 | 1,00 | 9,0 |
| 3 | 3,80 | 7,60 | 1,50 | 13,0 |
| 4 | 4,90 | 9,80 | 1,90 | 16,0 |
| 5 | 6,60 | 13,20 | 2,50 | 21,0 |
| 6 | 7,20 | 14,40 | 2,70 | 23,0 |
| 8 | 9,90 | 19,80 | 3,70 | 32,0 |
| 10 | 12,10 | 24,20 | 4,50 | 39,0 |
| 12 | 14,20 | 28,40 | 5,40 | 46,0 |
| 16 | 19,60 | 39,20 | 7,60 | 63,0 |




