Pince à câble Pince à câble 12mm renforcée
MATÉRIEL :
Vis - classe 6.8 ;
Écrous - Classe 6 (M5-M20 avec base dentelée, M22-24 avec base plate) ;
Mors - fonte malléable ;
Revêtements - galvanisé en surface et chromaté jaune.
Les serre-cordes sont un ensemble composé d'un boulon en U, d'une mâchoire et d'écrous qui permettent de comprimer deux sections de cordage pendant que les écrous sont serrés.
Les pinces sont conçues pour sécuriser les extrémités des cordes et des élingues avec ou sans cosse, en tant qu'éléments chargés statiquement pendant les opérations de suspension et de levage individuel. Conçu pour les câbles à torons ronds d'une classe de résistance allant jusqu'à 1960 N/mm2.
Les serre-câbles ne peuvent pas être utilisés pour les câbles monofilament et comme dispositifs de sécurité primaires dans les treuils de mine, les grues ou les terminaisons de boucle pour les élingues de grue.
Température de fonctionnement admissible : -40 ° C à 80 ° C.
EXIGENCES EN MATIÈRE D'INSTALLATION :
- l'installation doit être effectuée par une personne compétente, c'est-à-dire. qui a une connaissance pratique et une expérience de la construction de terminaisons à partir de boucles fixées par des manilles, qui est familiarisé avec les exigences du présent manuel et qui est équipé du matériel nécessaire pour une installation correcte (par exemple, des clés dynamométriques)
- une inspection visuelle du produit doit être effectuée lors de l'installation et avant chaque cycle de travail
- vérifier que le kit contient tous les éléments nécessaires et qu'il ne présente aucun signe de détérioration ou d'usure,
- les pinces doivent être choisies en fonction du diamètre de la corde. La taille nominale du collier correspond au diamètre nominal maximal du câble. Pour les diamètres nominaux de câble intermédiaires, utiliser la taille de collier immédiatement supérieure. Taille nominale 5, ne s'applique qu'à un diamètre nominal de câble de 5 mm. La taille de la pince doit être lue sur la face inférieure du corpus (mâchoires).
- le nombre minimum de pinces à utiliser par boucle en fonction de la taille de la corde est indiqué dans le tableau,
- si une lanière est utilisée dans la boucle, la première borne doit être placée directement à côté de la lanière - les bornes suivantes doivent être montées aux distances indiquées dans le tableau,
- les surfaces filetées des écrous et des boulons doivent être lubrifiées avant de serrer le collier
- installer la pince de manière à ce que le corps de la pince englobe la section de câble portant la charge
- serrer les écrous de la bride au couple spécifié dans le tableau,
- après la première charge du câble, vérifier le serrage des écrous et, le cas échéant, procéder à une correction (le serrage des écrous doit également être vérifié lors de chaque passage ultérieur)
- l'extrémité libre de la corde doit être protégée contre l'effilochage
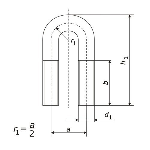
DONNÉES TECHNIQUES :
TAILLE | a | b | d1 | h1 | d2 | h2 | h3 |
[mm] | [mm] | [mm] | [mm] | [mm] | [mm] | [mm] | |
5 | 12 | 13 | M5 | 25,5 | 6 | 13 | 5,5 |
6,5 | 14,5 | 17 | M6 | 32 | 8 | 14 | 6 |
8 | 18 | 20 | M8 | 42 | 10 | 18 | 9 |
10 | 20 | 25 | M8 | 46 | 10 | 21 | 9 |
12 | 25 | 30 | M10 | 56 | 12 | 25 | 11 |
14 | 28 | 32 | M12 | 67 | 16 | 30 | 13,5 |
16 | 34 | 36 | M14 | 79 | 17 | 36 | 16,5 |
19 | 38 | 40 | M14 | 86 | 17 | 41 | 17,5 |
22 | 41,5 | 44 | M16 | 97 | 19 | 44,5 | 20 |
26 | 47,5 | 52 | M20 | 120 | 24 | 51,5 | 23 |
30 | 56 | 56 | M20 | 135 | 24 | 59 | 27 |
34 | 60 | 68 | M22 | 150 | 25,5 | 66,5 | 30 |
40 | 68 | 70 | M24 | 169 | 27 | 77 | 32,5 |
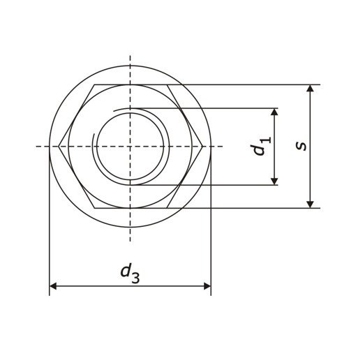
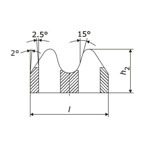
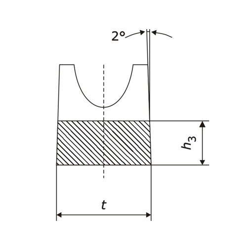
TAILLE | l | t | c | d3 | h4 | s |
[mm] | [mm] | [mm] | [mm] | [mm] | [mm] | |
5 | 13 | 13 | 1,4 | 11 | 5 | 8 |
6,5 | 16 | 16 | 1,6 | 13 | 5,5 | 10 |
8 | 20 | 20 | 1,7 | 17 | 8 | 13 |
10 | 20 | 20 | 1,7 | 17 | 8 | 13 |
12 | 23,5 | 23,5 | 1,9 | 20 | 10 | 16 |
14 | 28 | 28 | 2,5 | 24 | 12 | 18 |
16 | 32 | 32 | 3,4 | 28 | 13 | 21 |
19 | 32 | 32 | 3,4 | 28 | 13 | 21 |
22 | 34 | 34 | 3,4 | 29,5 | 15,5 | 24 |
26 | 38 | 38 | 4,5 | 37 | 23 | 30 |
30 | 41 | 41 | 5 | 37 | 23 | 30 |
34 | 46,5 | 46,5 | 7 | 45 | 29 | 34 |
40 | 50 | 50 | 7 | 45 | 29 | 34 |
TAILLE | MASS | COUPLE DE SERRAGE DES VIS | NOMBRE DE TERMINAUX | DISTANCE TERMINALE MIN.-MAX. | POUR LES CORDES DE CLASSE JUSQU'À |
[N/mm2] | |||||
[kg/pc] | [Nm] | [min pcs./loop] | [mm] | ||
5 | 0,021 | 2,0 | 3 | 19,5 - 39 | 1960 |
6,5 | 0,035 | 3,5 | 3 | 24 - 48 | 1960 |
8 | 0,086 | 6,0 | 4 | 30 - 60 | 1960 |
10 | 0,091 | 9,0 | 4 | 30 - 60 | 1960 |
12 | 0,172 | 20 | 4 | 36 - 72 | 1960 |
14 | 0,270 | 33 | 4 | 42 - 84 | 1960 |
16 | 0,432 | 49 | 4 | 48 - 96 | 1960 |
19 | 0,486 | 68 | 4 | 48 - 96 | 1960 |
22 | 0,654 | 107 | 5 | 51 - 102 | 1960 |
26 | 1,090 | 147 | 5 | 57 - 114 | 1960 |
30 | 1,380 | 212 | 6 | 61,5 - 123 | 1960 |
34 | 2,114 | 296 | 6 | 67,5 - 135 | 1960 |
40 | 2,748 | 363 | 6 | 73,5 - 147 | 1960 |
Ressources sur la sécurité et les produits
--------------------------------------------------------------------------------------------------------------------------
Informations sur le fabricant
Les informations de fabrication comprennent l'adresse et les informations connexes du fabricant du produit.
DQ-PP Sp. z o. o.
Jana Długosza 43
Police, PL, 72-010
info@dq-pp.pl
--------------------------------------------------------------------------------------------------------------------------
Personne responsable dans l’UE
Opérateur économique basé dans l'UE qui veille à ce que le produit soit conforme aux réglementations applicables.
DQ-PP Sp. z o. o.
Dorfstraße 44
Nadrensee, Mecklenburg-Vorpommern, DE, 17329
+4939746599801
info@dq-pp.de